#初級 #図面 #製図
皆さん図面は読めますか? 図面が読めれば、色々な仕事ができます。
「ものづくりは図面から」というシリーズで図面の読み方の基本の習得、その後で間違えやすい過去トラ等を少しずつ説明していきます。
今日のテーマ:「第三角法」の書き方ルールを知ろうです。
前回は立体を1枚の紙に表す方法として、第三角法の基本となる考え方を紹介しました。
今回は実際の図面に用いられている第三角法*の詳細を紹介します。
水平面と垂直面によって空間を4つに分けたときの「第3象限」を使う投影法。平面形状は上方の水平面へ、側面形状は右方の垂直面に投影する。第1象限を使う「第一角法」もあり、平面形状は下方へ、側面形状は左方へ投影します。
ガラスの箱をかぶせる
3次元の立体形状を2次元の紙の上に表す手段として、対象物の前にガラス板を置いて、見えた通りをガラス板に描き写す、という方法を前回紹介しました。
今回はガラス板に代えて、ガラス箱(直方体)を使ってみましょう。
(手順1)対象物にガラス箱をかぶせる(図1)。
(手順2)真正面・真横・真上から見えたとおりにガラス箱の面(前面と側面、上面)に描き写す(前回図解した内容)(図2)。
(手順3)ガラス箱を分解(展開)する。具体的には、前面(真正面の図)を固定し、それと接する辺を軸として側面(真横の図)と上面(真上の図)を広げる(図3)。
(手順4)真正面と真横と真上の面が同じ平面になるまで広げる(図4)。
(手順5)ガラス面に描かれた図をそのまま紙に写せば第三角法の図が完成する(図5)。
各図の名称について
紙には3つの図が描かれています。
それぞれの呼び方は、真正面から見た図は正面図、真横から見た図は側面図になります。
側面図は右から見た図は右側面図で、左から見た図は左側面図です。
今回の例では右から見ているので右側面図になります。
注意が必要なのは、真上から見た図の呼び方です。
これを上面図もしくは平面図といいます。上面図と呼ぶと分かりやすいのですが、平面図という呼び方もよく使われています。
平面と言われても上面とは想像が難しいので、これは覚えておくしかありません。
6面すべてに描いてみる
今度はガラス箱の6面すべてに描いてみましょう。下から見た下面図と、左から見た左側面図、後ろから見た背面図が追加になります。
6面全てに描き込んでから広げて(図6、7)、先ほどと同じように紙に写すと図8になります。
このように6面になるのですが、皆さんが普段見ている図面はこのように6つも図が描かれているでしょうか。ほとんどの図面はもっと少ない数だと思います。その理由を説明します。
図8の「右側面図と左側面図」「正面図と背面図」はそれぞれ左右対称、「上面図と下面図」は上下対称に近い図となっています。違いは外形線(実線)とかくれ線(破線)だけです。そのために両方を描かなくても理解できるので、設計者は片方しか描きません。
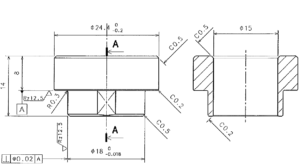
このときどちらを省略するかというと、見やすさを優先してかくれ線を多く使っている図を消します。かくれ線より実線の方が見やすいからです。これにより6面が3面に減り、すなわち三面図になります。さらに、ここで例として示した形状の場合は上面図がなくても形は確定できるので、二面図で描けば十分です(図9)。
このように、図面は読み手が理解できるならば「最小面数で描く」のが基本です(図10)。
※最近の新しい図面は3DのCADを用いて書かれています。
この場合は最小面数を選ぶ形で最低限の枚数を決めます。
図の数が少なければ図面がシンプルになり読みやすい上に、描き手にとっても作図時間を短縮できて、一石二鳥なのです。
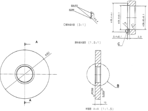
最もシンプルな図面は正面図のみの一面図になります。“軸もの”のような丸形状や、板金部品などの平板形状でこの一面図が多く使われています(図11)。丸(円筒)を表す直径は「∅」、板金などの板厚みは「t」といった寸法補助記号で情報を表し、図の数を減らせるのです。寸法補助記号については次号以降で解説します。
なぜなら、丸い(円筒)品が旋盤加工で加工する図面に1番適しているからです。




第3角法の余談ですが、三面図の「三」は図の数を意味しますが、第三角法の「三」に数の意味はありません。
立体形状に対するガラス箱の向きや展開方法で1から4までの考え方があり、3番目の方法として第三角法と呼ぶくらいの意味合いです。
次回は第三角法の図面から立体の形をイメージする方法を紹介します。
問題1
丸い製品には「φ」を付けて丸を表していますが、旋盤だけで加工する製品は断面図だけで表す事もできます。それはなぜでしょうか?
旋盤、回転、断面 の3つの言葉を使って説明してください。












No responses yet